Проблема с АКПП S4MA honda civic

Для тех, у кого сломалась АКПП.

Модератор: Шурпа_Коробкин

Сообщение
Автор
Stanislav

Проблема с АКПП S4MA honda civic

#1 Сообщение Stanislav » Вс апр 05, 2009 6:15 pm

подскажите кто знает в чем проблема пробег 172000
коробка дергает при переводе в драйв
задняя передача включается без толчков

чувствуется переключение всех скоростей скоростей в пути
а происходит так еду провал потом толчок вперед и набор скорости
чем выше передача чем меньше толчки

в чем может быть проблема посоветуйте
масло в норме то есть на уровне

машина Honda civic 99 год EK3 кузов

PavelVLMS

#2 Сообщение PavelVLMS » Вс апр 05, 2009 6:33 pm

Снятие разборка автомата ! замена лопнувшей пружины в гидроблоке ! есть у сонакса!

Stanislav

#3 Сообщение Stanislav » Вс апр 05, 2009 6:41 pm

а что за пружина как называеться
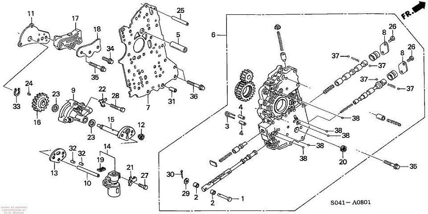
если можно на схеме
и вопрос долго можно так ездить
с таким дефектом ездию уже 10 000
Вложения
коробка1.JPG
вот гидроблок вроде


Stanislav

#5 Сообщение Stanislav » Вс апр 05, 2009 8:33 pm

к стати да что то слышал про клапан PC какой то это он наверно и есть
говорят что в большинстве случаев он выходит из строя

Stanislav

#6 Сообщение Stanislav » Вс апр 05, 2009 8:37 pm

а M4A это аналог моей S4MA гыы может SM4A может номерок спутал --))

Stanislav

#7 Сообщение Stanislav » Вс апр 05, 2009 8:39 pm

именно это пружина выходит из строя
это болезнь всех коробок или это только скорее всего в моем случае
при дерганье на всех передачах

Stanislav

#8 Сообщение Stanislav » Вс апр 05, 2009 8:42 pm

и сколько с таким дефектом можно ездить а то в питер собрался думал заняться после него

и сперва наверно лучше ее разобрать и осмотреть визуально
но так. как я новичок. надеюсь там ничего сломать нельзя
или главное соблюдать мануалу и ничего страшного не произойдет


а вот мануал найти на нее нигде не могу
никто не поможет stanislav_gen@mail.ru

PavelVLMS

#9 Сообщение PavelVLMS » Вс апр 05, 2009 9:02 pm

хонда не та машина , на которой я б тренировался ! но если решишься, купи хотя бы прокладочный комплект , набор 12 граных головок ! и внимательно !!!! гайки не всегда откручиваются по часовой стрелки ! (на хонде:))

PavelVLMS

#10 Сообщение PavelVLMS » Вс апр 05, 2009 9:20 pm

сорри !против часовой!!!!

Stanislav

#11 Сообщение Stanislav » Вс апр 05, 2009 9:21 pm

ну да я знаю ну надо же с умом крутить

Stanislav

#12 Сообщение Stanislav » Вс апр 05, 2009 9:22 pm

блин ну в сервис отдать и заплатить 30 000
или купить БУ за 7000
лучше проще сперва попробовать самому а если что купить БУ

PavelVLMS

#13 Сообщение PavelVLMS » Вс апр 05, 2009 9:24 pm

НЕ а ! крутить надо руками ! а думать головой ! кушать можно туда же :D

PavelVLMS

#14 Сообщение PavelVLMS » Вс апр 05, 2009 9:32 pm

каждый должен заниматься своим делом! И за хорошую работу нужно платить хорошие деньги ! по поводу Б/у! мама тебе не говорила , что на помойке рыться не хорошо? а втариваться на помойке ваще бррррррр!!

Stanislav

#15 Сообщение Stanislav » Вс апр 05, 2009 9:36 pm

к стати немогу понять как его заказать
клапан этот
у него никакого парт намбера нормального


Вернуться в «Доездился»

Кто сейчас на конференции

Сейчас этот форум просматривают: нет зарегистрированных пользователей и 2 гостя