отремонтировал CD4E ????????

Да, и такое бывает.

Модератор: Шурпа_Коробкин

Сообщение
Автор
hodinka29

отремонтировал CD4E ????????

#1 Сообщение hodinka29 » Пт окт 12, 2007 4:29 pm

Проехал 30 т миль и опять сломалась, прогревается и не едет когда отпускаешь тормоз(даже катится назад ) , при включении на D (на прогретой) не чувствуется нагрузки .До этого поменял всё. После переборки дергала на всех передачах , через некоторое время только с 1 на 2.Иногда на аборот немного подбуксовывала но при полном газе включала идеально.Мне сказали что может солинноид замкнул. У меня Ford Contur 1995 2 литра. Программы у нас(Орехово-Зуево) в сервисах на него нет. Подскажите что такое. А если кто может вышлете схему АКПП для того чтобы проверить соленноид.(hodinka29@rambler.ru)

юрик
Настоящий агрегатчик
Сообщения: 251
Зарегистрирован: Ср окт 03, 2007 6:14 pm
Откуда: Новосибирск

Re: отремонтировал CD4E ????????

#2 Сообщение юрик » Сб окт 13, 2007 7:55 am

hodinka29 писал(а):Проехал 30 т миль и опять сломалась, прогревается и не едет когда отпускаешь тормоз(даже катится назад ) , при включении на D (на прогретой) не чувствуется нагрузки .До этого поменял всё. После переборки дергала на всех передачах , через некоторое время только с 1 на 2.Иногда на аборот немного подбуксовывала но при полном газе включала идеально.Мне сказали что может солинноид замкнул. У меня Ford Contur 1995 2 литра. Программы у нас(Орехово-Зуево) в сервисах на него нет. Подскажите что такое. А если кто может вышлете схему АКПП для того чтобы проверить соленноид.(hodinka29@rambler.ru)

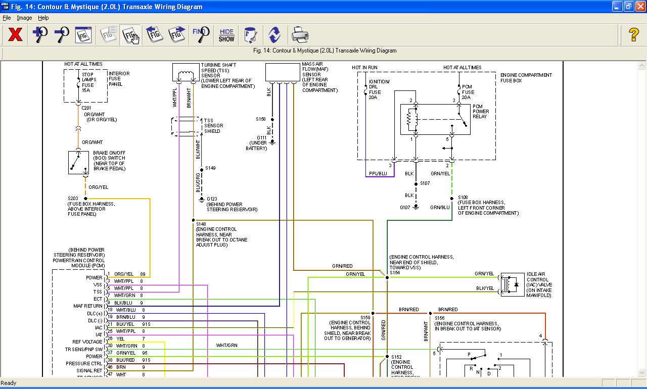
В программе Alldata есть всё,что вам нужно,старые версии программы сейчас стоят вообще копейки.
Лично мне больше нравиться митчелл,вот схема из него:
Вложения
cd4e-2.JPG
cd4e-2.JPG (164.49 КБ) 15601 просмотр
cd4e-1.JPG
cd4e-1.JPG (154.44 КБ) 15601 просмотр

hodinka29

Re: отремонтировал CD4E ????????

#3 Сообщение hodinka29 » Ср окт 24, 2007 2:52 pm

В программе Alldata есть всё,что вам нужно,старые версии программы сейчас стоят вообще копейки.
Лично мне больше нравиться митчелл,вот схема из него:[/quote] Спасибо за ссылку но у меня почемуто не получается не чего скачать заканчивается на 85 %. А вы немоглибы скинуть продолжение схемы что бы мастер смог увидеть разъём и прозвонить соллиноид не разбирая коробы. Заранее большое С П А С И Б О .

Аватара пользователя
Sawr
Настоящий агрегатчик
Сообщения: 1139
Зарегистрирован: Ср мар 05, 2003 3:20 pm
Откуда: Санкт-Петербург
Контактная информация:

#4 Сообщение Sawr » Пт окт 26, 2007 10:21 am

А какой смысл их прозванивать?
Их меняют при ремонте!

hodinka29

#5 Сообщение hodinka29 » Сб окт 27, 2007 8:46 am

Sawr писал(а):А какой смысл их прозванивать?
Их меняют при ремонте!
А вдруг не соллинойды а если они то какой , я думаю что мог накрытся оверолл ,до этого когда делали коробу он был лопнутый вдруг опять лопнул. Интересно вообще какой ресурс коробы? Мне сказали что где то 150т. А после переборки?

Аватара пользователя
Sawr
Настоящий агрегатчик
Сообщения: 1139
Зарегистрирован: Ср мар 05, 2003 3:20 pm
Откуда: Санкт-Петербург
Контактная информация:

#6 Сообщение Sawr » Сб окт 27, 2007 10:06 am

hodinka29 писал(а):
Sawr писал(а):А какой смысл их прозванивать?
Их меняют при ремонте!
А вдруг не соллинойды а если они то какой , я думаю что мог накрытся оверолл ,до этого когда делали коробу он был лопнутый вдруг опять лопнул. Интересно вообще какой ресурс коробы? Мне сказали что где то 150т. А после переборки?

Если есть обрыв по соленоидам, то короб был бы в аварийном режиме!
Ремонт этого короба без замены соленоидов - бесполезная трата времени и денег!
После грамотной переборки короб ходит не хуже, чем новый.

hodinka29

#7 Сообщение hodinka29 » Сб окт 27, 2007 2:11 pm

[/quote]
Если есть обрыв по соленоидам, то короб был бы в аварийном режиме!
Ремонт этого короба без замены соленоидов - бесполезная трата времени и денег!
После грамотной переборки короб ходит не хуже, чем новый.[/quote] Ну а всё таки как думаешь что с ней случилось , не ужели опять всё периберать.Как думаешь если переберать то предьявлять мастеру ,который перебрал ,что это его вина. Веть после переборки она немного дергала при переключении передачь , я ему говорил а он сказал что всё в порядке .


Вернуться в «Проблемы после ремонта»

Кто сейчас на конференции

Сейчас этот форум просматривают: нет зарегистрированных пользователей и 1 гость